
AT5000 1RU Redundant Dual Inputs Forward Receiver offers a flexible, high performance forward receiver platform for CATV forward path transmission in HFC network. Together with ACT 1RU AT5000 XMOD and EDFA optical amplifiers, the 1RU AFDR dual inputs forward receiver provides an ideal long distance, optical redundant high-quality video transmission solution in traditional HFC network and also high density FTTX networks. AT5000 1RU Redundant Forward Receiver is designed with two optical receiver modules which shares same RF amplifier in one pizza box platform, converting downstream optical signals into RF at the sub Headend or remote hubs. AT5000 AFDR provides superior frequency response, low distortion and noise and also high output level. Internal selectable RF attenuators and equalization can be adjusted to achieve flexible output power. AT5000 AFDR receiver is equipped with intuitive front panel LCD display to make operator’s life easier. The optical receiver is packaged in a self-contained 19” sub-rack of 1 RU with universal mains power supply and SNMP management.
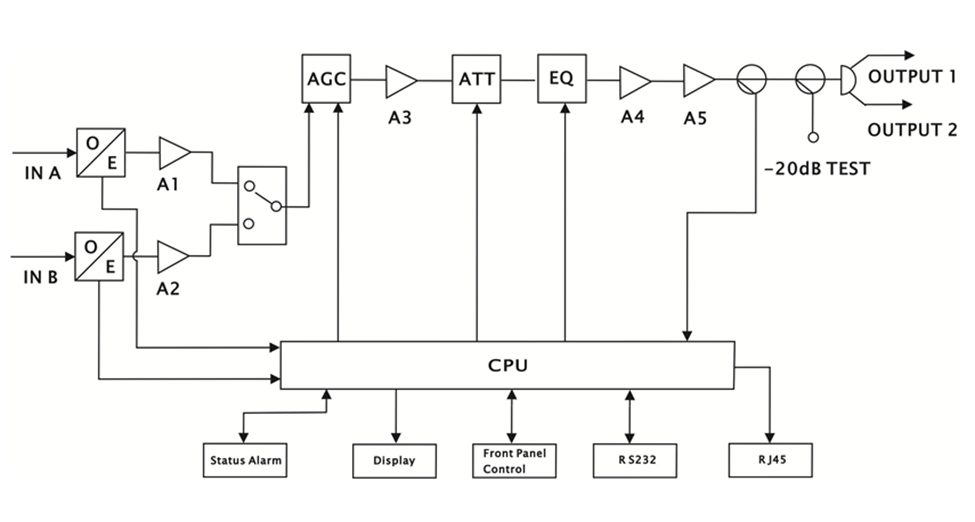
· Professional RF switching module, short switching time, low loss, with automatic switching and forced manual switching function.
· It adopts high performance photo-detector, operating wavelength 1200 to 1620nm
· Optical AGC control, when input is within range -7 to +2dBm, the output level remains unchanged and CTB, COS is measured up to the standard
· High gain, low distortion
· Built- in dual power supply, automatically switched and hot plug in/out supported
· The operating parameters of the whole machine are controlled by microprocessor, and the LCD status display on the front panel has many functions such as laser status monitoring, parameter display, fault alarm, network management, etc.; once the operating parameters of the laser deviate from the allowed range set by the software, the system will alarm promptly
· Standard RJ45 interface is provided, supporting SNMP and WEB remote network management.
Category | Items | Unit | Index | Description | ||
Min. | Typ. | Max. | ||||
Optical Index | Operating Wavelength | nm | 1200 | 1620 | ||
Optical Input Range | dBm | -7 | +2 | |||
Operating Mode | Optical AGC | |||||
No. of Input Ports | 2 | |||||
Optical Return Loss | dB | 45 | ||||
Fiber Connector | SC/APC | FC/APC,LC/APC | ||||
Operating Bandwidth | MHz | 47 | 1000 | |||
Output Level | dBμV | 114 | ||||
Operating Mode | AGC/MGC switching supported | |||||
Electronically Controlled ATT Range | dB | 0 | 30 | |||
Electronically Controlled EQ Range | dB | 0 | 15 | |||
Single Input On-off Isolation | dB | 60 | ||||
Isolation Between Two Inputs | dB | 72 | ||||
Inputs Switching Time | ms | 8 | ||||
Flatness | dB | -0.75 | +0.75 | |||
No. of Output Port | 2 | |||||
No. of Test Point | 1 | |||||
Test Port | dB | -20 | ||||
Return Loss | dB | 16 | ||||
Input Impedance | Ω | 75 | ||||
RF connector | F Metric/Imperial | Specified by user | ||||
Link Index | No. of Test Channels | PAL-D/59CH | ||||
CNR | dB | 51.0 | Pin=-2dBm | |||
CTB | dB | 65.0 | ||||
CSO | dB | 60.0 | ||||
MER | dB | 40.0 | ||||
General Index | Network Management Interface | SNMP,WEB Supported | ||||
Power Supply | V | 100 | 240 | AC | ||
-72 | -36 | DC | ||||
Power Consumption | W | 28 | Dual Power Supply, 1+1 Standby | |||
Operating Temp | °C | -5 | +65 | |||
Storage Temp | °C | -40 | +85 | |||
Operating Relative Humidity | % | 5 | 95 | |||
Dimension | mm | 228×483×44 | D, W, H | |||
Weight | Kg | 3.2 | ||||


Get in touch with our experts
Feedback